Колёса от Жигулей, отсутствующие уши и мощный двигатель: мифы и факты про ЗАЗ-968М - «ZAZ»
Этот Запорожец стал последним в «плеяде» заднеприводных «воздушников», выпущенных на Запорожском автозаводе. Лишившись фамильных «ушей» и получив букву М в буквенно-цифровом индексе, ЗАЗ-968М стал для десятков тысяч советских автомобилистов «входным билетом» в мир четырёхколёсных транспортных средств – что немаловажно, новым физически и доступным финансово. Сегодня мы будем разбираться с вымышленными утверждениями относительно этого автомобиля, отделяя их от исторически верных фактов, связанных с историей разработки и особенностями производства украинской «эмки».
МИФ 1: ЗАЗ-968М был создан и выпускался в восьмидесятые годы по просьбам советских автомобилистов
—
миф
Удивительно, но факт: в СССР на Запорожец, как и на другие автомобили, предлагаемые советской автомобильной промышленностью, записывались в очередь. При всём ироничном отношении к не самой привлекательной, надёжной и комфортабельной машине продукция Запорожского автозавода обеспечивала свободу перемещения и предоставляла возможность не зависеть от расписания и маршрутов общественного транспорта.
Однако работа над переднеприводной малолитражкой на «Коммунаре» началась еще в семидесятые годы, и уже к 1979 году опытный образец ЗАЗ-1102 был готов к серийному производству.
| Когда ЗАЗ-968М вставал на конвейер, будущая Таврия выглядела вот так |
| Журнал «За Рулём» начал рассказывать о новой модели Запорожца уже в начале 1980 года |
По ряду причин запустить в серию Таврию удалось лишь несколько лет спустя – уже в середине восьмидесятых годов. Поэтому завод в восьмидесятые был вынужден производить машину, созданную на уже достаточно устаревшей платформе семейства 966 , которому к тому времени исполнилось уже более 10 лет.
| ЗАЗ-968А выпускался относительно недолго, но всё семейство «ушастых» стартовало на ЗАЗе еще в конце шестидесятых годов |
Именно по этой причине на ЗАЗе были вынуждены модернизировать прежнюю модель, чтобы Запорожец хоть как-то соответствовал новым нормам безопасности и экологичности.
И несмотря на то, что у этой модели было немало поклонников, «глас народа» не имел отношения ни к причинам создания, ни к мотивам выпуска ЗАЗ-968М. Так называемая эпоха советского застоя нашла своё отражение и в автомобильной промышленности (за редким исключением). На тот момент заднемоторная платформа уже себя исчерпала – по крайней мере, в её «запорожском» воплощении. Однако особых вариантов у конструкторов не было – они были вынуждены просто «подтянуть» машину до современного уровня, сохранив компоновку, конструкцию и большинство технических решений.
| Принципиальных отличий у новой модели не было – и длина кузова, и компоновка моторного отсека и салона остались прежними |
| ЗАЗ-968М начали выпускать не из-за просьб советских автомобилистов, а в качестве выхода из сложившейся на заводе ситуации с задержкой новой переднеприводной машины |
Такой ход позволил заводу не только продержаться на плаву до освоения принципиально новой модели, но и сохранить производство обычного Запорожца вплоть до середины девяностых годов, когда спрос на эту модель действительно существенно упал.
МИФ 2: существовала версия с двигателем повышенной мощности
—
правда
Базовый вариант ЗАЗ-968М-03 оснащался двигателем вполне «жигулёвского» рабочего объема, но мощностью 41 л.с. В зависимости от года выпуска мотор комплектовался разными модификациями карбюраторов и обозначался как МеМЗ-968Э или МеМЗ-968Н.
| На фото: та самая «сороковка» |
| Двигатель МеМЗ-968 в разрезе |
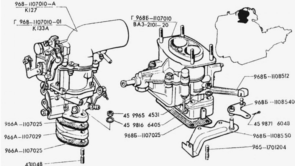
В дополнение к «сороковке» вскоре после начала производства был налажен выпуск версии 968М-005 с 887-«кубовым» двигателем, развивавшим всего 30 «лошадок». Такой вариант существовал как в инвалидном, так и в обычном исполнении. Но до 1983 года Запорожец можно было приобрести и с более мощным мотором! Так, версия МеМЗ-968ГЭ с «жигулёвским» карбюратором и степенью сжатия 7,2:1 развивала 45 л.с., а модификация МеМЗ-968БЭ благодаря степени сжатия 8,4 и применению бензина АИ-93 выдавала и все пятьдесят!
| Если с карбюратором К-133 мощность мотора не превышала 41 л.с., то установкой детали от Жигулей и одновременным подъемом степени сжатия её удалось увеличить до 50 «лошадок» |
| «Чисто жигулевский» карбюратор ДААЗ отличался индексом 2101-1107010 (на Запорожце – 2101-20) |
| К-123 располагался в развале V-образного «воздушника» |
Конечно, доля таких машин в общем объеме выпущенных Запорожцев была совсем небольшой, а предназначались они в основном для экспорта. Интересно, что независимо от варианта и степени сжатия конкретного экземпляра владельцы практически во всех случаях заливали в бак «семьдесят шестой» бензин, из-за чего пострадало немало двигателей, рассчитанных на более высокооктановое топливо.
| Увидеть в СССР возле колонки с бензином Аи-93 не Жигули, а Запорожец было практически нереально |
МИФ 3: экспортные модификации выпускали с колёсами от ВАЗ-2101
—
миф
В советские времена в прессе встречались фотографии опытных образцов ЗАЗ-968М, впервые продемонстрированных на выставке "Автопром-77". Они отличались от серийных машин овальными задними фонарями, подголовниками на передних сиденьях, а также дисковыми тормозами передних колёс.
Кроме того, машины оснащались и однотипными с ВАЗ-2101 колёсами, причем на некоторых прототипах даже стояли ступичные колпаки от "единички". Такие диски были прочнее обычных «запорожских», а также позволяли разместить дисковые тормоза – по крайней мере, спереди. Именно из-за этого конструкторы и задумали переход на «чужие» колёса, которые на тот момент выпускались только в Тольятти.
| Такие колёса от ВАЗ-2101 позволили бы установить тормозные диски, а не барабаны |
Однако серийно на Запорожцах "жигулевские" колесные диски так и не появились — новая модель полностью сохранила прежнюю конструкцию, где роль ступицы колеса и спереди, и сзади выполнял тормозной барабан, а диск, больше похожий на обод, крепился к нему с помощью гаек.
| Снятый с автомобиля диск выглядел очень непривычно для владельцев Волг, Москвичей и Жигулей |
Подобная конструкция, только с передними дисковыми тормозами и уменьшенным до трёх точек креплением, сохранилась и на переднеприводном ЗАЗ-1102.
| На одном из опытных образцов стояли колёса, конструкция которых еще не была «жигулёвской», но уже напоминала Таврию с её тремя гайками крепления |
А это значит, что колёса от Жигулей на ЗАЗ-968М являются лишь результатом стараний владельцев, порой заменяющих штатные ступицы и диски «жигулёвскими». Причем некоторые энтузиасты уже в наше время и вовсе переходят на «эмках» на что-то более серьезное
МИФ 4: ЗАЗ-968М выпускался дольше остальных модификаций
—
правда
Прежние Запорожцы этого семейства выпускались в среднем около 6-7 лет. К примеру, ЗАЗ-966 продержался на конвейере с 1966 по 1972 год, "ушастый" под индексом 968 — с 1971 до 1979-го, причем параллельно с ним выпускалась и модернизированная модель 968А. Все эти автомобили объединяли так называемые "уши" — кузовные элементы, игравшие роль больших воздухозаборников.
| Отличить сходу 966 от 968 могли немногие, ведь в этом случае «дьявол крылся в мелочах». Чего не скажешь про «эмку» |
А уже в конце 1979 года начался выпуск ЗАЗ-968М — автомобиля, который куда больше отличался от прежних трехобъемных Запорожцев и элементами отделки, и деталями экстерьера, благодаря чему отличить «эмку» с красноречивым индексом «968М» на передке от остальных машин запорожского завода мог даже довольно далёкий от техники человек.
И «новое лицо», и отсутствие тех самых «ушей» в сочетании с прямоугольными задними фонарями сформировали более современный облик – если, конечно, такой термин вообще применим к Запорожцам. Как бы то ни было, на фоне предшественников этот автомобиль выглядел более выигрышно, соответствуя духу нового десятилетия хотя бы в отдельных решениях. Это и задняя оптика, и пластиковые «клыки» на углах бамперов, и более удобный и безопасный интерьер.
| ЗАЗ-968М стал единственным Запорожцем, выпускавшимся в двух разных государствах почти 15 лет |
Несмотря на то, что в 1988 году в Запорожье наконец-то освоили выпуск переднеприводной Таврии, прежняя модель без особых изменений продержалась "в строю" вплоть до лета 1994 года. Как и в случае с предыдущими Запорожцами, "эмка" пересеклась на конвейере с новым автомобилем, но так и не уступила ему место в советский период, став достоянием истории лишь во времена "незалежной" Украины. Таким образом, ЗАЗ-968М является единственной моделью из числа заднеприводников, которая выпускалась свыше десяти лет.
| Одно из немногих отличий ранних машин – отсутствие пластиковых «клыков» на бамперах. В остальном же с годами ЗАЗ-968М почти не менялся |
Впрочем, и «пятёрка», и ВАЗ-2106, и «ноль седьмая» по сравнению с Запорожцем прожили еще куда более длинную и насыщенную событиями конвейерную жизнь.
МИФ 5: Убирая «уши», конструкторы пытались избавиться от склонности автомобиля к перегреву
—
правда
Одна из главных проблем Запорожца – «родовая» склонность к перегреву силового агрегата. Напряженный тепловой режим «воздушника», его чувствительность к загрязнениям и отсутствие традиционной жидкостной системы охлаждения вызывали нарекания у многих владельцев прежних модификаций.
| МеМЗ-968 нередко перегревался еще на «ушастом» |
Поскольку радикально что-то изменить в этом вопросе конструкторы не могли, то частичное решение проблемы они увидели в хитро организованных потоках «искусственных сквозняков». Поэтому вместо обычных «ушей» новый Запорожец получил особенные вентиляционные решетки. Забор воздуха при этом осуществлялся только с правой стороны, а вот по левому борту сегменты развернули по ходу движения автомобиля, обеспечив таким образом вытяжную вентиляцию.
| Обратите внимание – слева и справа «жабры» воздухозаборников имеют разное направление! | |
Этому способствовали и прорези на задней панели, которые прикрывал номерной знак. Кожух воздуховода от крыльчатки вентилятора подвели к крышке капота, чтобы попавший справа в моторный отсек воздух после нагрева выводился с противоположной стороны.
| По количеству вентиляционных прорезей «эмка» была вне конкуренции |
| С помощью этой «хлебницы» отводился горячий воздух от двигателя |
| Все эти детали были призваны улучшить тепловой режим двигателя ЗАЗ-968М |
К сожалению, многие владельцы Запорожцев нарушали эту конструкцию, просто демонтируя «лишние», по их мнению, детали. Вдобавок из-за утечек масла мотор покрывался коркой пыльной «отработки», что еще больше ухудшало теплоотвод. Однако наличие или отсутствие характерных «ушей» на температурный режим особо не влияло – по крайней мере, исправный ЗАЗ-968М грелся ничуть не больше, чем другие версии Запорожцев. А вот самодельные «дефлекторы-воздухозаборники», изготовленные из жести или алюминия и установленные на капот в районе вентиляционных отверстий, обдув двигателя не улучшали хотя бы потому, что в этом месте происходила вытяжка воздуха, а не его приток.
МИФ 6: Передние кресла на ЗАЗ-968М были позаимствовали у Жигулей
—
миф
Новая модель отличалась «облагороженным» интерьером, чем-то напоминавшим жигулёвский в упрощенной миниатюре. Салон стал куда более травмобезопасным благодаря целому ряду новых деталей, самым заметным из которых стали передние сиденья. Из-за формы этих кресел и дизайна их обивки новые «стулья» тут же прозвали «жигулёвскими». Многие владельцы «эмок» искренне считали, что их без особых переделок позаимствовали от первой модели Жигулей, снабдив лишь механизмом откидывания, который позволял пассажирам садиться на второй ряд.
| Жигули первой модели, как и их салон, были пределом мечтаний многих владельцев Запорожцев |
В действительности конструкция кресел напоминала «жигулёвскую», однако передние сиденья ВАЗов и ЗАЗов отличались. Из-за необходимости в откидывании сидений при посадке и высадке пассажиров конструкторы даже предусмотрели механизм, фиксирующим их при закрытых дверях.
| Кресла ЗАЗ-968А (первое фото) и ЗАЗ-968М немного отличались по виду, причем у «ашки» они были более «жигулёвскими». Но по понятным причинам их снабдили механизмом откидывания вперёд | |
Правда, на многих машинах сиденья были разболтаны, а владельцы предпочитали просто демонтировать пассажирское кресло для того, чтобы упростить загрузку пассажиров на задний диван, а также организовать в салоне просторный «багажник», в котором помещались такие необходимые в дороге вещи, как сельская живность или мешок комбикорма. Еще одна проблема, связанная с передними сиденьями – низкая посадка водителя и пассажира, которые вдобавок были лишены какой-либо боковой поддержки.
| Посадка «ниже уровня стёкол» — не единственная проблема, ведь из-за близко расположенной колёсной ниши ноги в салон приходилось буквально протискивать | |
В этой версии, несмотря на довольно увесистые кресла, эргономические просчеты «ушастого» исправлены не были. Особенно от этого страдали инвалиды и владельцы пенсионного возраста (а таких на Запорожцах ездило большинство).
МИФ 7: ЗАЗ-968М был самой совершенной модификацией Запорожца
—
и миф, и правда
Усовершенствованный экстерьер и более удобный салон не делали из ЗАЗ-968М Москвич или Жигули, ведь в любом случае эта модель сохраняла большинство характерных особенностей-недостатков автомобилей, выпущенных в Запорожье. Однако в салоне новинки появились круглые часы по типу «шестёрочных», а омыватель лобового стекла получил электрический привод!
| ЗАЗ-968М получил даже часы! А ведь этот «элемент роскоши» был не на всех Жигулях |
| Электрический насос на Запорожце был не только у омывателя лобового стекла, но и у работающего на бензине (!) автономного отопителя салона |
| Крупные прямоугольные фонари с секцией заднего хода – почувствуйте разницу с «ушастыми»! | |
| Передние указатели поворота по общему стилю увязали с задней оптикой |
Запасное колесо и оба комплекта инструмента из багажного отделения перенесли — в моторный отсек и салон соответственно. «Разгруженный» багажник вдобавок облагородили пластиковыми накладками и резиновым ковриком, закрыв таким образом не только металл кузова, но и детали рулевого управления, а также аккумулятор.
| Педальный узел всех Запорожцев был довольно неудобен и «зажат» со всех сторон |
МеМЗ-968 обладал приличным ресурсом – около 125 000 километров, если владелец соблюдал условия регламентного техобслуживания машины.
Чуть более мощный, удобный и современный – ЗАЗ-968М если и выглядел «бледно», то лишь в сравнении с «полноценными» и почти вдвое более дорогими автомобилями АЗЛК и ВАЗ. А вот в сравнении и с «горбатым», и с прежними «ушастыми» эта модель стала действительно более дружелюбной к своему владельцу. Это особенно оценили первые покупатели «эмок» в начале восьмидесятых. С годами же нововведения ощущались не так остро – особенно на фоне новых моделей советского автопрома. Но это уже совсем другая история.
Опрос
Как вам ЗАЗ-968М?
Ваш голос
Всего голосов:
















































